收藏大铁/网站地图/视频中心/资料下载您好!欢迎来到kok娱乐平台app 官网!

全国24小时服务热线18924551991

微信图片

热门关键词:线切割电竞娱乐tv 中走丝清远电竞娱乐 中走丝线切割

大铁数控 35年风雨砥砺前行不断超越
客户案例
电子行业机械公司家电行业医疗行业3D金属打印机政府工程造船业表面处理军工企业合作院校新材料
行业解决方案
铝型材模具塑胶模具压铸模具汽车模具手机模具五金模具电子模具外协加工
合作客户
世界500强企业大型上市公司行业内知名企业家电行业机械行业铝型材行业
新闻资讯
公司动态行业动态
大铁数控
线切割知识
线切割价格常见问答线割知识
帮助专区
视频中心资料下载线切割图纸下载
当前位置:首页 » 大铁数控新闻中心 » 新闻资讯 » 行业动态 » 电竞娱乐tv 坐标系是什么,电竞娱乐tv 坐标系图文定义

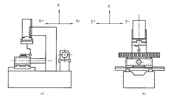
电竞娱乐tv 坐标系的定义有着详细的国家标准:

1.刀具即电极丝相对于静止的工件而运动。

2.标准坐标采用右手直角笛卡尔坐标系。

右手直角笛卡尔坐标系

1.伸出右手拇,食,中三指成垂直状,拇指——对应x轴正向;食指——对应y轴正向;中指——对应z轴正向。

2.右手四指从X正向向Y正向握拳,大拇指方向就是Z轴正向。

电竞娱乐tv 坐标系图文定义:

1.面对工作台的左右方向即丝架伸出方向平行的方向为X轴,左边为负,右边为正。

2.面对工作台的前后方向即丝架伸出方向垂直的方向为Y轴,前为正,后为负。

4个坐标轴可理解为X+,X-,Y+,Y-,以丝架导轮上的钼丝中心坐标为0,0点。

电竞娱乐tv 在做锥度加工时,上丝架的锥度头可做前后、左右移动,这是平行于X轴和Y轴的另一组坐标轴。与X轴平行的是U轴,与Y轴平行的V轴。即四轴联动,加上Z轴就是五轴。

电竞娱乐tv
坐标系

Baidu
map