电竞娱乐tv 坐标系的定义有着详细的国家标准:
1.刀具即电极丝相对于静止的工件而运动。
2.标准坐标采用右手直角笛卡尔坐标系。
1.伸出右手拇,食,中三指成垂直状,拇指——对应x轴正向;食指——对应y轴正向;中指——对应z轴正向。
2.右手四指从X正向向Y正向握拳,大拇指方向就是Z轴正向。
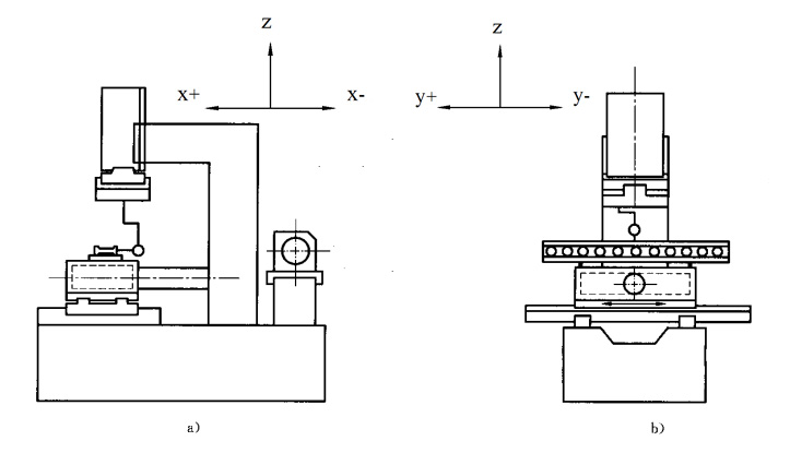
电竞娱乐tv 坐标系图文定义:
1.面对工作台的左右方向即丝架伸出方向平行的方向为X轴,左边为负,右边为正。
2.面对工作台的前后方向即丝架伸出方向垂直的方向为Y轴,前为正,后为负。
4个坐标轴可理解为X+,X-,Y+,Y-,以丝架导轮上的钼丝中心坐标为0,0点。
电竞娱乐tv 在做锥度加工时,上丝架的锥度头可做前后、左右移动,这是平行于X轴和Y轴的另一组坐标轴。与X轴平行的是U轴,与Y轴平行的V轴。即四轴联动,加上Z轴就是五轴。


