收藏大铁/网站地图/电竞娱乐 /资料下载您好!欢迎来到kok娱乐平台app 官网!

全国24小时服务热线18924551991

微信图片

热门关键词:线切割电竞娱乐tv 中走丝清远电竞娱乐 中走丝线切割

大铁数控 35年风雨砥砺前行不断超越
客户案例
电子行业机械公司家电行业医疗行业3D金属打印机政府工程造船业表面处理军工企业合作院校新材料
行业解决方案
铝型材模具塑胶模具压铸模具汽车模具手机模具五金模具电子模具外协加工
合作客户
世界500强企业大型上市公司行业内知名企业家电行业机械行业铝型材行业
新闻资讯
公司动态行业动态
大铁数控
线切割知识
线切割价格常见问答线割知识
帮助专区
视频中心资料下载线切割图纸下载
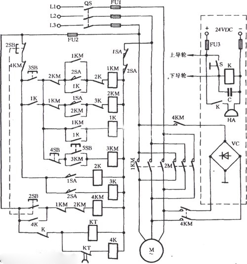
当前位置:首页 » 大铁数控新闻中心 » 线切割知识 » 常见问答 » 线切割高频电源 线切割高频电源电路图

线切割高频电源介绍:

线切割加工使用的高频电源不同于一般的能量供应的电源,它主要是以脉冲宽度为目标的金属加工能源,因为只有窄脉宽冲形成的电火花放电加工才是适合的,如果脉冲过宽,则电火花会引起电弧放电,从而破坏加工表面。这里所指的高频电源就是线切割控制柜。

线切割高频电源

线切割高频电源的主要构成:

主振电路、脉宽调节电路、间隔调节电路、功率放大电路、整流电源。

线切割高频用途:

之所以线切割高频电源要要使用到高频,主要是为了提高效率,在相同时间内产生更多的脉冲。

线切割高频电源基本原理:

总结一句话来说,线切割高频电源就是根据不同的需求产生高频放电脉冲,进行切割工件。

线切割高频电源电路图:

线切割高频电源电路图

Baidu
map